Výsledky hledání: avr/jednoduche-programy-avr-atmega8/preruseni-tlacitka-int0-int1-avr-gcc.txt - Stránka 18
Tento programátor je velmi známý a spousta bastlířů si jej i postavilo.I přes mojí spokojenost jsem se rohodl, že programátor ořežu „dohola“ a zanechám tam pouze ISP programování a potřebnou...
Dneska to není o super výkonné TS101 nebo Pinecil, které dokáží sloužit jako páječky pro každodenní použití a nahřívají se velmi rychle. Na aliexpress na mě vyběhla reklama na malou,...
Nová pájecí stanice WE1010 dokazuje, že i kvalitní stanice se dá koupit za přijatelnou cenu. Řada WE je určena především pro školy, náročné hobby uživatele, studenty, vývojáře a pod. ...
...výstupní napětí, dalším pak ochrany – přepěťová, nadproudová. Otočný knoflík samozřejmě zastává i funkci tlačítka. RK6006 má i dost místa v programu pro uložení spousty přednastavených nastavení. Testy Zdroj jsem...
...kódy přenášet i na další vývojové IDE jako např. Keil. Další články o STM32(F7): Tutorial: STM32F746 (STM32F7 Discovery) – Tlačítkem rozsvítit/zhasnout LED Tutorial: STM32F746 (STM32F7 Discovery) – jak zapnout LED...
...ihned potom zmáčkněte uživatelské tlačítko BUT. Až začne LED blikat pomalu, můžete tlačítko pustit a nahrát program. – Poté spusťte bash script maple_mini_uploader. Ke stažení zde: Maple Mini uploader v0.1...
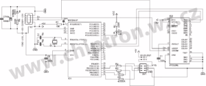
Tak jsem po pokusech s NodeMCU a SHT75 dostal k další verzi mojí mini meteostanice. Nyní jsem si vytvořil vlastní DPS pro už vybranou krabičku, kterou jsem osadil stejným modulem...
...Zapojení je tak jednoduché, že samotná konstrukce nemá ani schéma. Vychytávkou tohoto osciloskopu je možnost vyčítat hodnoty z ADC měřeného průběhu skrze UART. V programu jej musíte povolit „boolean serialOutput...
...obsahuje 2pin header pro zdroj 3.3V. Programování: K programování slouží 4pin header, ke kterému se připojí USB-UART převodník s DTR pinem. Propojení: Meteo deska | USB-UART převodník RESET -> DTR...
...4525 Kč. https://botland.cz/laboratorni-napajeci-zdroje/25068-laboratorni-napajeci-zdroj-korad-ka3010ps-0-30v-10a-usb-rs232-5904422385989.html Atom EchoS3R – programovatelný reproduktor – ESP32 – M5Stack C126-ECHO Atom EchoS3R – programovatelný reproduktor – ESP32 – M5Stack C126-ECHO Atom EchoS3R je kompaktní a výkonný IoT modul...
...Wireless Challenge II na konci loňského roku. Výzva k vytvoření nejlepší aplikace pro bezdrátovou technologii IQRF byla určena programátorům, vývojářům, technikům a studentům z celého světa a soutěžilo se o...
Blikání LED je základ jakéhokoli programování. Níže je kompletní kód pro blikání LEDkou, zapnutí nebo vypnutí LED na GPIO 7. Program je napsán v programovacím jazyku python a naleznete zde...








